-
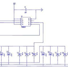
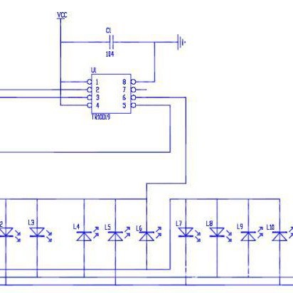
DL9552 12/18/20/30灯流星雨灯闪IC,SOP8/DIP8封装
-
DL5613:TFT彩屏万年历游戏IC芯片方案IC,电子元件,方案醋发
-
DL1180:1.5V四键LCD显示烧烤叉IC芯片,IC方案开发,电子元件
-
DL8409:3V笑脸温湿度万年历IC芯片,3键操作,数字星期,电子元件
-
DL8277:3V LCD显示温湿度天气预报钟IC芯片方案,温湿度IC,万年历
-
DL9552:12灯流星雨闪IC
-
DL6178:十位冷光手表IC,3V供电,3键操作有键音
-
DL8330:日本双频电波钟接收模块
-
DL7816: 15通道电容式触摸IC
-
DL5569:10/12位税率计算器IC芯片,1.5V供电,方案开发,电子元件