https://mind.1688.com/1688pc/pc-home/wkjhxWbz6dfhkixKdyrW/index.html
1688工业品工业行家选企业采购
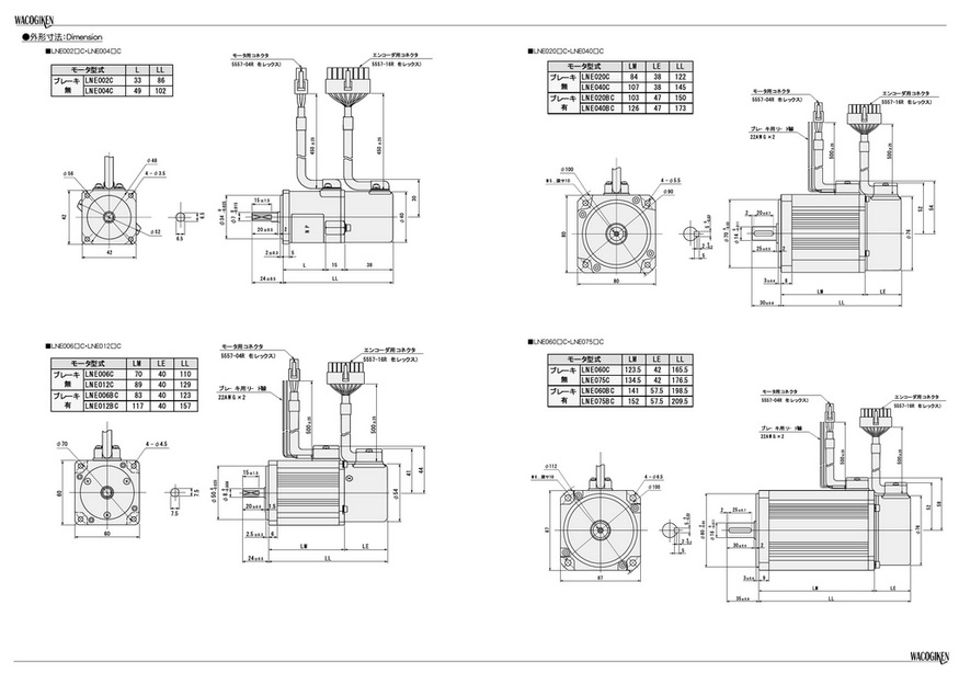
日本和光wacogiken(PLC)伺服电机GPL-16

日本和光wacogiken(PLC)伺服电机GPL-16

1000/

广东深圳

1688工业品为您提供在线免费查询更多工控系统及装备详细参数、实时报价、规格一览表。更多关于工控系统及装备多少钱一个/工控系统及装备报价明细/工控系统及装备规格型号价格表/工控系统及装备批发市场价格/工控系统及装备官方报价等咨询,尽在1688工业品。询底价>

为你找到伺服定位系统相关产品

MDDHT5540CA1;MDDHT5540E;MSM021A1E MSM021A1A MSM021A1C

MDDHT5540CA1;MDDHT5540E;MSM021A1E MSM021A1A MSM021A1C

1103
售10+套

上海

在线询价
台州信达 二手安川伺服驱动器SGDF-B5CP 保修三个月询价

台州信达 二手安川伺服驱动器SGDF-B5CP 保修三个月询价

500
售10+个

浙江台州

在线询价
派克伺服驱动器C3S150V2F11I22T40M12

派克伺服驱动器C3S150V2F11I22T40M12

860
售10+台

广东广州

在线询价
西门子611D伺服驱动器主板轴卡6SN1118-0DH13-0AA0 OAAO

西门子611D伺服驱动器主板轴卡6SN1118-0DH13-0AA0 OAAO

9000
售10+台

上海

在线询价
西门子6FC5203-0AF02-0AA2 SINUMERIK 前操作面板 OP 012

西门子6FC5203-0AF02-0AA2 SINUMERIK 前操作面板 OP 012

2.5
售10+个

上海

在线询价
SX50-1250-15-L-KA 

SX50-1250-15-L-KA 

88
售10+个

上海

在线询价
SGMJV-08ADE6S电机SGMGH-20ACA6CSGMGV-44ADA6C SGMPH-04A1A-OY12

SGMJV-08ADE6S电机SGMGH-20ACA6CSGMGV-44ADA6C SGMPH-04A1A-OY12

2000
售10+台

广东广州

在线询价
1FK7063-5AF71-1SH0西门子2.29KW伺服电机全新原装

1FK7063-5AF71-1SH0西门子2.29KW伺服电机全新原装

4000
售10+个

上海

在线询价
【Delta/台达】台达伺服电机B2L系列ECM-E2M-C10807RS0经济简易型

【Delta/台达】台达伺服电机B2L系列ECM-E2M-C10807RS0经济简易型

16.88
售10+个

广东广州

在线询价
伺服电缆2090-XXNFMP-S20 2090-XXNFMP-S25

伺服电缆2090-XXNFMP-S20 2090-XXNFMP-S25

8878
售10+个

福建厦门

在线询价
【Delta/台达】台达伺服B2系列ASD-B2-0721-B+ECMA-C20807R6整套

【Delta/台达】台达伺服B2系列ASD-B2-0721-B+ECMA-C20807R6整套

16.88
售10+套

广东广州

在线询价
【台达代理】台达伺服电机ASDA-B2系列ECMA-E21315RS增量型电机

【台达代理】台达伺服电机ASDA-B2系列ECMA-E21315RS增量型电机

16.88
售10+个

广东广州

在线询价
查看更多产品及报价
100+伺服定位系统相关产品等你解锁
在线寻源3000行家正在找货
免费询价,源头正品,上1688工业品,全国的工业正品交易平台