暂无牌级
工厂牌级
< 1
万元
定制合约交易
100
%
准时履约率
42
%
服务响应率
25
意向客户
53
%
回头率
南乐杨
厂长
负责工厂对外洽谈业务
立即询价
您提交后,专属业务员将第一时间为您服务
获取验证码
立即发送
工厂真实性保障
温州市正尚电子有限公司
工商资质资质中心
15年
主营:
智能开关
智能家居
墙壁插座
拥有CE认证
ISO 9000认证
支持拿样
清加工
可开专票
包工包料
RoHS认证
乐清电子元器件
AA诚信等级
良好生产环境
支持来图加工
持有专利证书
支持外贸订单
浙江温州乐清市柳市镇前西村地图查看
关注
进旺铺
扫码联系
使用阿里巴巴APP扫一扫 获取更多工厂信息
工厂展厅
温州市正尚电子有限公司是一家专注于智能墙壁 开关和智能家居系统的专业制造商。主要生产智能家 居产品:智能灯光控制开关、调光开关、电动窗帘开 关控制开关、智能插座等等。产品被广泛的应用于家...
查看更多
工厂档案
成立时间2011.03.24
年交易额2000万以上
员工总数51~100人
商标/品牌(3)
THOUGHTHOMEZNSN硕特屋
合作方式
定制起订量100个
贴牌起订量100个
接外贸订单不支持
加工方式清加工 包工包料
开票点数13%
增值税发票
买家评价
卖家有耐心
材质非常好
触感很好
使用更方便
质量不错
物流贼快
颜值高
价格很优惠
安装简单
这次购物非常满意
性价比高
匿名购买
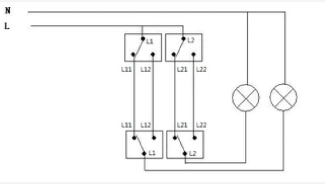
质量不错,质感也很好,就是不能用于双控双火线的开关,又不想再动另一个开关,只能改成了单开,还好另一个灯基本不用,用原本的开关手动控制即可,感谢客服耐心解答,希望以后出双火线的版本,接线图和电路图给大家参考2024.10.8
展开更多评价
工厂产线
生产车间
加工设备
生产人数11~50人
月产值201~500万
原材料采购时间15天
特殊工艺电工SMT贴片 图纸设计