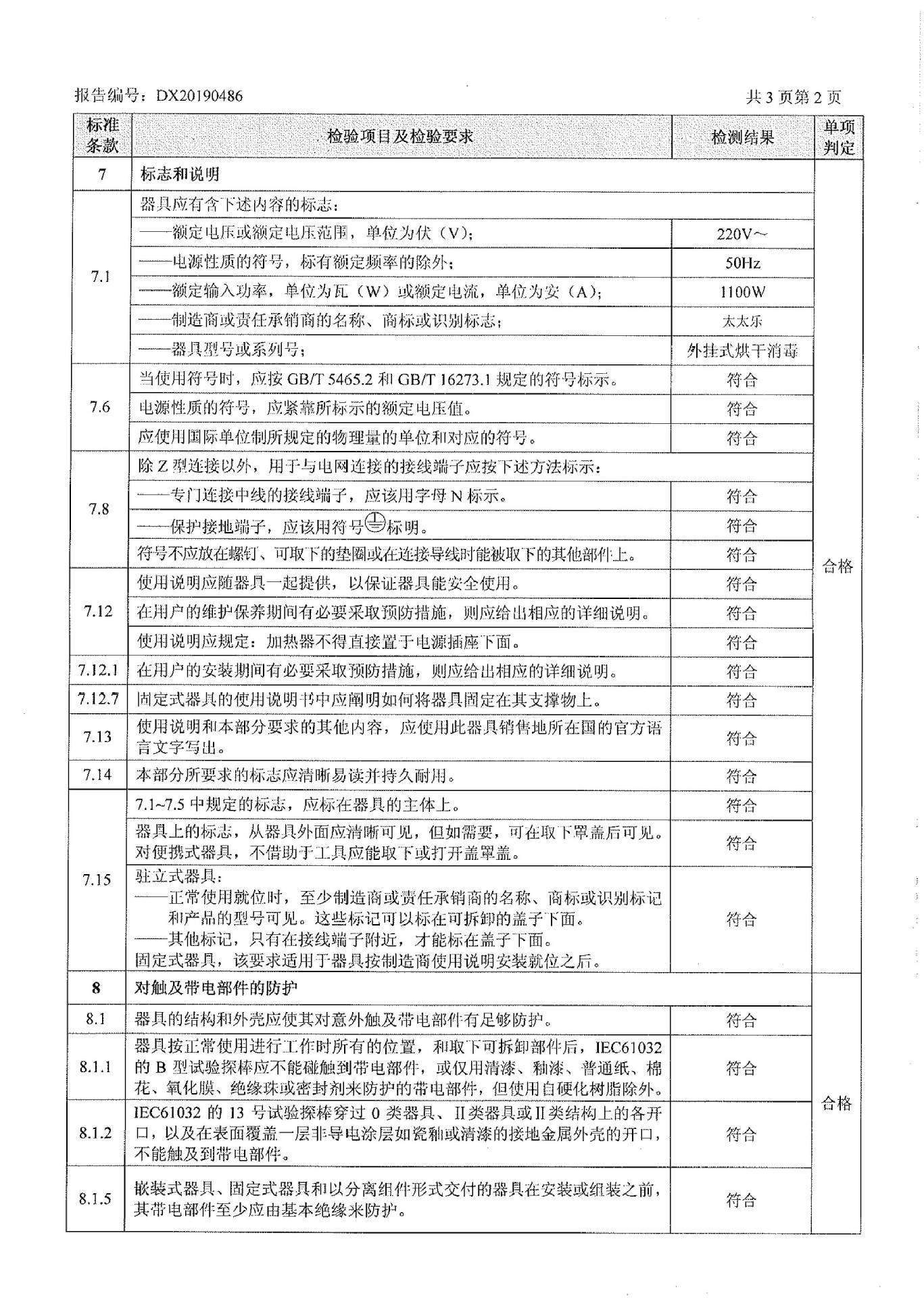
暂无牌级
工厂牌级
暂无数据
定制合约交易
暂无数据
准时履约率
96
%
服务响应率
17
意向客户
13
%
回头率
贺鸣峰
厂长
负责工厂对外洽谈业务
立即询价
您提交后,专属业务员将第一时间为您服务
获取验证码
立即发送
厂长带看
1
10
工厂真实性保障
嘉兴市太太乐智能家居有限公司
工商资质
8年
主营:
升降晾衣架
晾衣架晾晒架
太太乐代工
工贸一体
A级纳税人
芝麻信用等级优秀
良好生产环境
RoHS认证
AAA诚信等级
ISO 9000认证
规上企业
可开专票
清加工
来图加工
科技型中小企业
省级专精特新
浙江省嘉兴市海盐县武原街道秦联路3687号 地图查看
关注
进旺铺
扫码联系
使用阿里巴巴APP扫一扫 获取更多工厂信息
工厂展厅
嘉兴市太太乐智能家居有限公司成立于2015年9月,现坐落在浙江海盐;从事于智能晾衣机的研发、生产和销售。2019年通过了ISO9001质量体系认证。授权专利共有9项,其中实用新型专利2项,外观专利7项...
查看更多
工厂档案
成立时间2015.09.21
年交易额2000万以上
员工总数101~200人
商标/品牌(1)
太太乐
合作方式
定制起订量100套
贴牌起订量100套
接外贸订单不支持
加工方式清加工 包工包料 来图加工 来样加工
开票点数13%
增值税发票
买家评价
价格不贵
款式高档
发货及时
老板非常热情
服务很棒
梦**9
质量目看还行吧,颜色不错,款式简洁,上下升降还行2024.7.29
展开更多评价
工厂产线
生产车间
加工设备
生产人数51~100人
月产值500万以上
原材料采购时间7天